聯系人:王經理
銷售電話:13371051536
銷售QQ:1401548526
公司地址:山東省濰坊市高新區光電路155號光電產業加速器(一期)
13371051536

PRODUCT CENTER
聯系人:王經理
銷售電話:13371051536
銷售QQ:1401548526
公司地址:山東省濰坊市高新區光電路155號光電產業加速器(一期)

【產品簡介】土壤溫濕度傳感器又稱土壤溫濕度檢測傳感器,土壤溫濕度傳感器可以同時測量出土壤體積含水量、土壤溫度等參數,廣泛用于農學、水文學、氣象學、地球物理學及土木工程學的研究和生產領域。
一、土壤溫濕度傳感器技術指標
土壤溫濕度傳感器又稱土壤溫濕度檢測傳感器,土壤溫濕度傳感器可以同時測量出土壤體積含水量、土壤溫度等參數,廣泛用于農學、水文學、氣象學、地球物理學及土木工程學的研究和生產領域。
1.供電:DC12V
2.功耗:小于0.1W
3.工作溫度:-30~70℃
4.通信接口:RS485
5.工作電流:8mA DC12V
6.最短數據間隔:60S
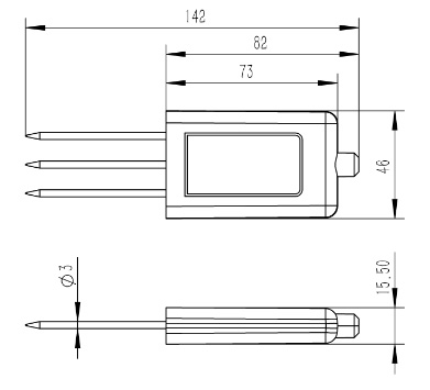
二、土壤溫濕度傳感器產品尺寸圖

三、土壤溫濕度傳感器使用注意事項
1.傳感器安裝應嚴格按照安裝使用說明書進行。
2.多個傳感器同時工作時,必須間隔5米以上距離。
3.傳感器測量原理限制,傳感器測量地為中心半徑5米范圍內不應有電磁線纜和強磁輻射干擾,
避免造成傳感器測量的巨大誤差和損壞。
4.傳感器的安裝環境應該符合傳感器的測量范圍,避免超量程等不規范行為。
5.傳感器安裝應避開強酸強堿、重油污重金屬環境進行。
6.傳感器為土壤測量傳感器,禁止將本傳感器對其他行為。
7.傳感器安裝環境不能有強振動。
8.傳感器不能有過強外力作用。
9.禁止拆卸,私自拆卸將不提供任何服務。
10.傳感器探針較為鋒利,使用時應按規定注意佩戴護具。
11.設備使用和維護應嚴格按照上述注意事項進行,如有違規使用的行為,本司不承擔相關負責。
四、土壤溫濕度傳感器傳感器參數
| 參數 | 測量范圍 | 精度 | 分辨率 | 單位 |
| 土壤溫度 | -30~70℃ | ±0.3(-10~50℃) | 0.01 | ℃ |
| 土壤含水率 | 0~100% | ±3%(壤土)高有機質土壤(土壤有機碳含量>12%)高粘粒含量土壤(粘粒含量>45%)由于其介電弛豫特性,可能需要針對特定土壤類型進行標定 | 0.01% | --- |
土壤墑情監測對于節約用水和支持農業可持續發展很關鍵。它能幫助我們及時發現干旱情況,科學安排灌溉,確保作物生長需要,是現代農業不可或缺的技術。
土壤墑情監測系統由多部分組成,需要傳感器采集數據,比如土壤濕度、土壤溫度、大氣溫濕度、光合有效輻射、風向、風速、雨量、雨速、氣溫、空氣相對濕度、氣壓、海拔、土壤P
土壤墑情監測系統由數據采集模塊、數據傳輸模塊和數據庫組成。利用該土壤墑情監測系統,可以實現對土壤墑情(土壤水分和土壤溫度)的長期連續監測。
土壤墑情監測系統是一種用于監測和記錄土壤水分狀況的設備和軟件系統。該系統通常由土壤墑情監測儀器、數據采集器、數據傳輸設備和數據處理軟件等組成。